JPLDE-MC衛生型電磁流量計采用了衛生型襯里材料和襯里工藝,符合食品行業的衛生要求,同時采用了不銹鋼外殼及不銹鋼卡箍連接,方便電磁流量計的快速拆卸、清洗,使電磁流量計在使用過程中不易被污染,且能有效防止測量流體殘余物在測量管中的堆積,衛生型電磁流量計可廣泛應用于礦泉水、醬油、果醬、啤酒、果汁、米酒、牛奶等食品的制造過程及衛生、化工等領域。
一、衛生型電磁流量計技術參數:
1.公稱通徑:DN10~DN65mm;
2.公稱壓力:≤1.6MPa;
3.精 確 度:±0.5%;±0.3%;
4.測量范圍:0~10m/s(流速);
5.襯里材料:PFA;
6.電極材料:316L不銹鋼、HB、HC、鈦、鉭
7.外殼材料:不銹鋼;
8.介質溫度:-10℃~+80℃;
9.環境溫度:-25℃~+60℃;
10連接方式:卡箍式快速接頭;
11.電 源:220V AC 或 24V DC;
二、電磁流量計的產品特點:
1、測量不受流體密度、粘度、溫度、壓力和電導率變化的影響;
2、測量管內無阻礙流動部件,無壓損,直管段要求較低;
3、系列公稱通徑DN15~DN3000。傳感器襯里和電極材料有多種選擇;
4、轉換器采用新穎勵磁方式,功耗低、零點穩定、精確度高。流量范圍度可達1500:1;
5、轉換器可與傳感器組成一體型或分離型;
6、轉換器采用16位高性能微處理器,2x16LCD顯示,參數設定方便,編程可靠;
7、流量計為雙向測量系統,內裝三個積算器:正向總量、反向總量及差值總量;可顯示.莊、反流量,并具有多種輸出:電流、脈沖、數字通訊、HART;
8、轉換器采用表面安裝技術SMT,具有自檢和自診斷功能。
三、衛生型電磁流量計的流量范圍:
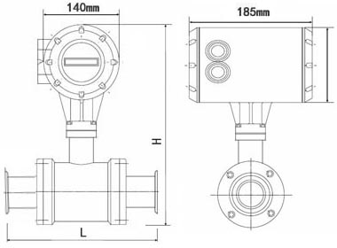
四、衛生型電磁流量計外形尺寸圖:
五、電磁流量計選型表:
三、衛生型電磁流量計的流量范圍:
|
口徑 (DN) |
流 量 范 圍 (m)3/h |
口徑 (DN) |
流 量 范 圍 (m)3/h |
口徑 (DN) |
流 量 范 圍 (m)3/h |
| 15 | 0.4~6.0 | 150 | 40~600 | 700 | 900~12000 |
| 20 | 0.6~12 | 200 | 60~1000 | 800 | 1000~16000 |
| 25 | 1.0~15 | 250 | 100~1600 | 900 | 1200~20000 |
| 32 | 1.0~25 | 300 | 160~2500 | 1000 | 1600~25000 |
| 40 | 2.5~40 | 350 | 200~3000 | 1200 | 2500~30000 |
| 50 | 4~60 | 400 | 250~4000 | 1400 | 3000~50000 |
| 65 | 6~120 | 450 | 300~5000 | 1600 | 4000~60000 |
| 80 | 10~160 | 500 | 400~6000 | 1800 | 5000~80000 |
| 100 | 16~250 | 550 | 500~8000 | 2000 | 6000~100000 |
| 125 | 25~400 | 600 | 6000~10000 | 2200 | 7000~120000 |
四、衛生型電磁流量計外形尺寸圖:
|
通徑 (DN) |
L (mm) |
H (mm) |
通徑 (DN) |
L (mm) |
H (mm) |
![]() |
||||||||||||||||||
| 15 | 200 | 299 | 200 | 350 | 517 | |||||||||||||||||||
| 20 | 200 | 304 | 250 | 400 | 585 | |||||||||||||||||||
| 25 | 200 | 312 | 300 | 500 | 627 | |||||||||||||||||||
| 32 | 200 | 321 | 350 | 500 | 681 | |||||||||||||||||||
| 40 | 200 | 340 | 400 | 500 | 741 | |||||||||||||||||||
| 50 | 200 | 353 | 450 | 550 | 779 | |||||||||||||||||||
| 65 | 200 | 369 | 500 | 550 | 834 | |||||||||||||||||||
五、電磁流量計選型表:
| JP-LDE | 電磁流量計 | ||||||||||||||||||||||||
|
口徑 (mm) |
15 | DN15 | |||||||||||||||||||||||
| 20 | DN20 | ||||||||||||||||||||||||
| … | … | ||||||||||||||||||||||||
| 2600 | DN2600 | ||||||||||||||||||||||||
| 安裝方式 | Y | 一體式 | |||||||||||||||||||||||
| F | 分體式式 | ||||||||||||||||||||||||
| 輸出信號 | I | 4~20mA | |||||||||||||||||||||||
| H | 4~20mA+HART協議 | ||||||||||||||||||||||||
| F | 頻率 | ||||||||||||||||||||||||
| R | RS485通訊 | ||||||||||||||||||||||||
| 襯里材質 | N | 氯丁橡膠(65℃以下) | |||||||||||||||||||||||
| F | 聚四氟乙烯(160℃以下) | ||||||||||||||||||||||||
| P | 聚氟乙烯(70℃) | ||||||||||||||||||||||||
| 電極材質 | 3L | 316L | |||||||||||||||||||||||
| HB | 哈氏合金B | ||||||||||||||||||||||||
| HC | 哈氏合金C | ||||||||||||||||||||||||
| Ti | 鈦 | ||||||||||||||||||||||||
| Ta | 鉭 | ||||||||||||||||||||||||
| By | 鉑銥合金 | ||||||||||||||||||||||||
| 壓力等級 | 1 | PN1.6 | |||||||||||||||||||||||
| 2 | PN2.5 | ||||||||||||||||||||||||
| 4 | PN4.0 | ||||||||||||||||||||||||
| 6 | PN6.3 | ||||||||||||||||||||||||
| 9 | PN16 | ||||||||||||||||||||||||
| 供電方式 | D | DC 24V | |||||||||||||||||||||||
| A | AC 220V | ||||||||||||||||||||||||
| 附加選項 | MC | 衛生型(卡箍安裝) | |||||||||||||||||||||||
| B | 防爆(ExII CT6) | ||||||||||||||||||||||||









![[list:title]](/uploads/allimg/180722/1-1PH2124K0.jpg)
